- Які характеристики має товар Шплінт Ф13 ГОСТ 397-79 розвідний? ❯
- Яка ціна товару Шплінт Ф13 ГОСТ 397-79 розвідний і чи вона актуальна? ❯
- До якої категорії належить товар Шплінт Ф13 ГОСТ 397-79 розвідний? ❯
- Чи можна замовити доставку для товару Шплінт Ф13 ГОСТ 397-79 розвідний? ❯
- Які переваги покупки Шплінт Ф13 ГОСТ 397-79 розвідний саме у цього виробника KrepZevs? ❯
- Де можна знайти інші товари, схожі на Шплінт Ф13 ГОСТ 397-79 розвідний? ❯
- ВиробникKrepZevs
- НаявністьВ наявності
- Тип шплінтуРозвідний
- Матеріал шплінтуСталь
- Усі характеристики
- Мінімальна сумма замовлення - 2000 грн
- Надійна сировина та обладнання: Компанія використовує перевірену сировину та сучасне обладнання для виробництва кріпильних елементів.
- Дослідна команда: Виробництвом стандартних та спеціальних рішень займається команда професіоналів.
- Співпраця з виробниками: Компанія співпрацює з відповідальними заводами-виробниками з України та Європи.
Шплінт сталевий Ф13.0 ГОСТ 397-79 розвідний
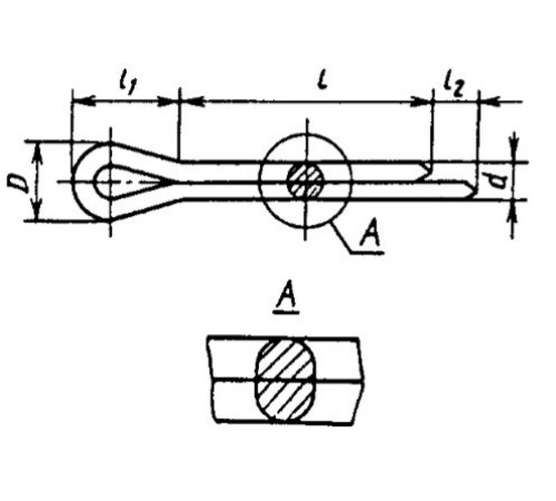
Шплінт Ф13 ГОСТ 397-79 називається розвідним через легкий монтаж і демонтаж даного елемента. При встановленні металовироб поміщається в підготовлений отвір так, щоб кінці кріплення виступали назовні. Їх розводять у різні боки, огинаючи поверхню деталі, що сполучається, що перешкоджає роз'єднанню з'єднання навіть при сильних зовнішніх негативних факторах. Виготовляють вироби з різних марок вуглецевої сталі, для експлуатації в агресивному середовищі може бути виготовлений з нержавіючої А2 або А4.
Конструкція шплінта ГОСТ 397-79

Основні характеристики:
|
Умовний діаметр шплінта d0 |
13,0 |
||
|
найб. |
12,4 |
||
|
d |
найм. |
12,1 |
|
|
L2 |
найб. |
6,3 |
|
|
найм. |
3,2 |
||
|
L1 |
26,0 |
||
|
найб. |
24,8 |
||
|
D |
найм. |
21,7 |
|
|
Рекомендовані діаметри |
Болт |
вишче |
80,0 |
|
до |
120,0 |
||
|
Штифт, вісь |
понад |
69,0 |
|
|
до |
110,0 |
||
Не знаєте, де вигідно купити розвідний шплінт ГОСТ 397-79? Ми допоможемо вам підібрати відповідний елемент! Менеджери компанії «Зевс» допоможуть вам підібрати необхідну продукцію. Купуючи товар на нашому підприємстві ви отримуєте максимальну якість металовиробу, при мінімальному комплектуванні замовлення. Гарантія на кріпильні вироби – 3 роки з моменту придбання. Швидке оформлення замовлення на нашому сайті або за телефоном.
Шплинт Ф13 ГОСТ 397-79 разводной
Технічні характеристики
- Тип шплінтуРозвідний
- Матеріал шплінтуСталь
- ПокриттяЦинк без покриття
- Довжина шплінту63
- Умовний діаметр шплінту13
- Гарантійний термін36
- СтанНове
Відгуків про цей товар ще не було.
